
本體材料:閥體/閥蓋/閥芯/閥桿材質:聚四氟PTFE
密封材質:氟橡膠、VTION、PEK、全氟膠
公稱通徑:DN2 3 4 5 6 8 10 15 20 25 32 40 50 65mm
適用介質:強酸堿、濃鹽酸、濃硫酸、有機溶劑等化學流體
介質溫度:0~+180℃ 控制方式:常閉式、常開式
原理結構:直動式(零壓力啟動)、先導式
工作壓力:0.01~0.6MPa、0~0.02MPa
電源電壓:AC220V、AC110V、DC12V、DC24V
連接方式:內螺紋(G螺紋、NPT螺紋)、寶塔嘴、卡套、法蘭
選配功能:信號反饋、防爆(ExdIICT5、Ex mb IIC T4)
聚四氟乙烯電磁閥產品簡介:
聚四氟乙烯電磁閥是由四氟乙烯經聚合而成的高分子化合物加工制成,具有優良的化學穩定性、耐腐蝕性,廣泛適用于各種需要耐強酸堿和有機溶劑的介質如:氯堿、制酸、磷肥、農藥、有機合成等,具有優異的耐熱性能,特別適合腐蝕強、且化學不允許與潤滑劑接觸的環境。
聚四氟乙烯電磁閥產品特點:
a)閥體、閥蓋、閥芯、閥桿材質:采用聚四氟(PTFE)材料。
b)耐腐蝕密封件,耐腐蝕性強,可耐各種強酸(98%濃硫酸)強堿、強氧化劑及有機溶劑,可長期使用無損壞。
c)腐蝕性流體與金屬部件(動鐵芯、彈簧)隔絕,即流體只與聚四氟、耐腐蝕密封件接觸,實現了結構上真正的耐腐蝕。
d)其活塞結構設計替代了膜片,避免膜片由于腐蝕性流體的作用而破裂、膨脹失效,使得電磁閥使用壽命大大增長。
e)嵌入式密封結構,密封性能更加可靠,實現零泄漏。
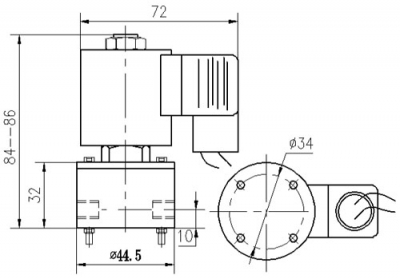
小口徑聚四氟乙烯電磁閥外形尺寸:



帶信號反饋聚四氟電磁閥采用聚四氟乙烯本體的電磁閥,帶信號反饋聚四氟

法蘭防爆聚四氟乙烯電磁閥具有優異的耐腐蝕性能,對所有的常用化學品都

聚四氟二位三通電磁閥由于啟閉原理的獨特性和結構設計的科學性,產品的

小型聚四氟乙烯電磁閥具有優異的耐腐蝕性能對所有的常用化學品都呈惰性

聚四氟乙烯電磁閥應用于強酸、強堿、強氧化劑等強腐蝕性各類溶劑流體